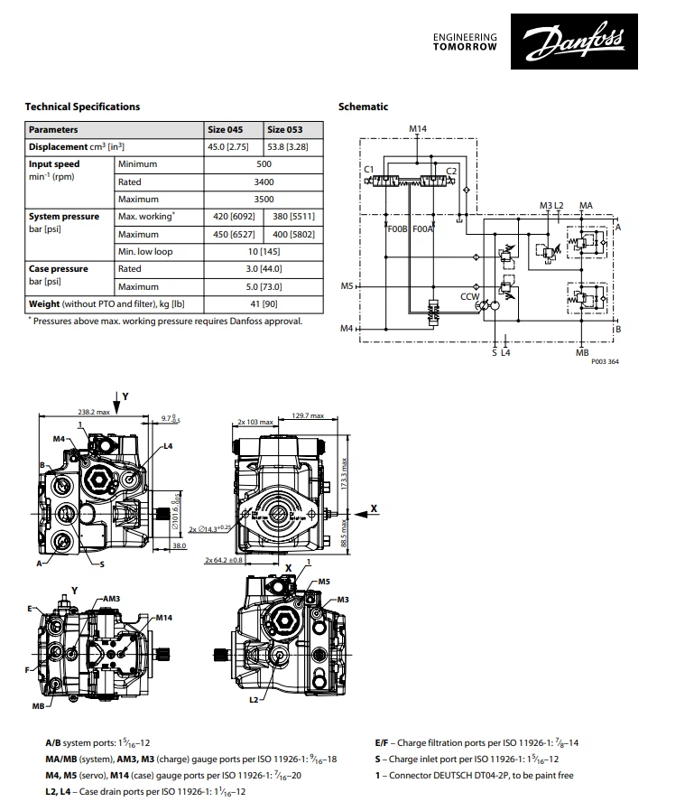
SAUER DANDOSS H1P045 H1P053 Аксиально-поршневые одинарные насосы
Особенности Разработано для качества и надежности • Единая концепция конструкции • Цельный автомат перекоса Повышенная общая эффективность • Минимизированные потери управления • Улучшенная схема зарядки • Более низкое управляющее давление для меньшего энергопотребления Широкий диапазон органов управления • Электрогидравлическое управление:‒ Электрическое управление смещением (EDC)‒ Вперед- Нейтраль-реверс (FNR)‒ Пропорциональное электрическое управление без обратной связи (NFPE) • Автомобильное управление (AC) • Управление приводом вентилятора (FDC) • Ручное управление смещением (MDC) • Гидравлическое управление смещением (HDC) • Общее управление для всего семействаРекомендуемая установка: По усмотрению, корпус всегда должен быть заполнен гидравлической жидкостью. Преимущества установки и упаковки • Насос, оптимизированный по длине • Минимум одна чистая сторона • Более высокое соотношение HP угла к размеру упаковки • Стандартизированный интерфейс разъема

Мы поставляем комплектующие ведущих производителей, таких как Bosch Rexroth, Rexroth.
Indramat, Parker Hannifin, Moog, Eaton Vickers, Denison, Hawe, Sunfab, Yuken, Hydac, Kawasaki/KPM, Staffa, Voith, Sauer Danfoss, Hydro Leduc, Calzoni, Atos, Bucher, Oilgear, Tokyo Keiki, Schneider KREUZNACH, Linde, Marzocchi, Eckerle, HBM, Siemens, Schneider Electronic, Sick, Baumer, Herion, Norgren, Aventics.....
Не стесняйтесь обращаться к нам, если вы заинтересованы в наших продажах. BAILE HYDRAULIC – ваша радость
партнер по ресурсам гидравлики и электроники. Более подробно, пожалуйста, посетите нас
R
| SAUER DANDOSS H1P045 H1P053 Аксиально-поршневые одинарные насосы |

|
|
11002065 PUMP-VAR-DISPL CCW H1PV078 H1-P-078-LAA3-C2-NF6-HG9-H6- L-42-L-42-CL-24-PN-NNN-NNN H1-НАСОСЫ ВД H1-069PV/078PV
11002066 PUMP-VAR-DISPL CCW H1PV078 H1-P-078-LAA3-C2-ND6-HG1-NN-L{{16 }}L-42-CL-24-PN-NNN-NNN H1-НАСОСЫ HP H1-069PV/078PV
11002067 PUMP-VAR-DISPL CW H1PV147 H1-P-147-RCA2-C2-BD8-GG3-NN-L{{16 }}L-42-AP-30-PN-NNN-NNN H1-НАСОСЫ HP H1-147PV/165PV
11002103 PUMP-VAR-DISPL CW 42PV041 42-R-41-D-G1A1-72-J-3-C-3-F-5-V{{12} }N-0-0-NNN-NNN СЕРИЯ 42 S42-041PV/051PV
11002124 PUMP-VAR-DISPL CCW 90PV130 90L130-FH-V-NV-8ER-7-F4-FB9-GB{{ 14}} СЕРИЯ 90 S90-130PV
11002147 PUMP-VAR-DISPL CW 90PV055 90R055-KA-5-NN-80-S-3-C6-C-03-GBA -26-26-24 СЕРИЯ 90 S90-055PV
11002165 PUMP-VAR-DISPL CW 90PV055 90R055-KA-5-NN-60-S-3-C6-C-03-GBA -38-38-20 СЕРИЯ 90 S90-055PV
11002327 PUMP-VAR-DISPL CW H1PV165 H1-P-165-RCA2-C2-ND3-GG3-NN-L{{16 }}L-20-LM-24-PN-NNN-NNN H1-НАСОСЫ ВД H1-147PV/165PV
11002445 PUMP-VAR-DISPL CCW 90PV055 90L055-DD-5-BC-60-S-3-S1-B-50-GBA -38-38-24 СЕРИЯ 90 S90-055PV
11002450 PUMP-VAR-DISPL CW 90PV055 90R055-MA-5-CD-80-P-3-C6-C-05-GBA -26-26-24 СЕРИЯ 90 S90-055PV
11002495 PUMP-VAR-DISPL CW H1PV147 H1-P-147-RCA4-C3-NE8-GG2-H3- L-42-L-42-LL-30-PN-NNN-G25 H1-НАСОСЫ ВД H1-147PV/165PV
11002561 PUMP-VAR-DISPL CW 90PV055 90R055-MA-5-BC-60-S-4-C6-CC5-FAB -42-42-24 СЕРИЯ 90 S90-055PV
11002586 PUMP-VAR-DISPL CW H1PV078 H1-P-078-RAA8-C2-CD8-HG9-H5- L-42-L-42-NE-24-P1-NNN-NNN H1-НАСОСЫ ВД H1-069PV/078PV
11002609 PUMP-VAR-DISPL CCW H1PV165 H1-P-165-RCA2-C2-ND8-GG3-H5- L-33-L-33-LP-24-PN-NNN-NNN H1-НАСОСЫ ВД H1-147PV/165PV
11002612 PUMP-VAR-DISPL CW H1PV165 H1-P-165-RCA2-C2-ND3-GG3-H6- L-35-L-35-LM-24-PN-NNN-NNN H1-НАСОСЫ ВД H1-147PV/165PV
11002631 PUMP-VAR-DISPL CW 90PV055 90R055-KA-5-NN-80-P-3-S1-C-03-GBA -35-35-24 СЕРИЯ 90 S90-055PV
11002898 PUMP-VAR-DISPL CW H1PV147 H1-P-147-RCA3-C2-ND9-GG3-H4- L-45-L-45-LL-30-PN-NNN-NNN H1-НАСОСЫ ВД H1-147PV/165PV
11003501 PUMP-VAR-DISPL CW H1PV165 H1-P-165-RCA2-C2-ND8-GG2-H6- L-38-L-38-LP-24-PN-NNN-NNN H1-НАСОСЫ ВД H1-147PV/165PV
11004018 PUMP-VAR-DISPL CW H1PV078 H1-P-078-RAA2-C2-ND6-HG9-H3- L-45-L-45-CL-20-PN-NNN-NNN H1-НАСОСЫ ВД H1-069PV/078PV
11004439 PUMP-VAR-DISPL CCW H1PV147 H1-P-147-LCA3-C2-BD6-GG3-NN-L{{16 }}L-25-LL-24-PN-NNN-NNN H1-НАСОСЫ ВД H1-147PV/165PV
11005254 PUMP-VAR-DISPL CCW H1PV165 H1-P-165-LCA3-C3-ND6-GG3-H2- L-42-L-42-LL-20-PN-NNN-NNN H1-НАСОСЫ ВД H1-147PV/165PV
11005448 PUMP-VAR-DISPL CCW H1PV165 H1-P-165-LCA5-C2-BD3-GG3-H6- L-35-L-35-AM-24-PN-NNN-NNN H1-НАСОСЫ ВД H1-147PV/165PV
11005450 PUMP-VAR-DISPL CCW H1PV147 H1-P-147-LCA5-C2-ND8-GG3-H6- L-42-L-42-AP-24-PN-NNN-NNN H1-НАСОСЫ ВД H1-147PV/165PV
11005451 PUMP-VAR DISPL CCW H1PV165 H1-P-165-LCA4-C2-ND8-GG3-H6-L -38-L-38-AP-24-PN-NNN-NNN H1-НАСОСЫ HP H1-147PV/165PV
11005463 PUMP-VAR DISPLM CCW H1PV147 H1-P-147-LCA2-C2-ND3-GG3-H6-L -35-L-35-LM-24-PN-NNN-NNN H1-НАСОСЫ ВД H1-147PV/165PV
11005673 PUMP-VAR-DISPL CCW H1PV147 H1-P-147-LCA4-C2-ND3-GG3-H3- L-30-L-30-AM-24-PN-NNN-NNN H1-НАСОСЫ ВД H1-147PV/165PV
11006033 МОТОР-ФИКСИРОВАННЫЙ-ДИСПЛ 90MF130 90-M-130-NC-0-N-8-N-0-F1-N-00-EBA{ {11}} СЕРИЯ 90 S90-130MF
11006037 PUMP-VAR-DISPL CW H1PV165 H1-P-165-RCA2-C2-ND3-GG2-NN-L{{16 }}L-42-LM-24-PN-NNN-NNN H1-НАСОСЫ ВД H1-147PV/165PV
11006191 PUMP-VAR-DISPL CW H1PV165 H1-P-165-RCA2-C2-ND6-GG3-H3- L-42-L-42-LL-24-PN-NNN-NNN H1-НАСОСЫ ВД H1-147PV/165PV
11006212 PUMP-VAR-DISPL CW H1PV165 H1-P-165-RCA2-C2-ND9-GG2-H4- L-42-L-42-LL-24-PN-NNN-NNN H1-НАСОСЫ ВД H1-147PV/165PV
11006484 PUMP-VAR-DISPL CCW H1PV078 H1-P-078-LAA2-C2-NF5-HF1-H6- L-33-L-33-CP-28-PN-C07-NNN H1-HP НАСОСЫ H1-069PV/078PV
11006880 PUMP-VAR-DISPL CCW H1PV165 H1-P-165-LCA5-C2-BD3-GG3-H6- L-35-L-35-AM-24-PN-NNN-NNN H1-НАСОСЫ ВД H1-147PV/165PV
11007567 PUMP-VAR-DISPL CW H1PV165 H1-P-165-RCA4-C3-ND3-GG2-H2- L-42-L-42-LM-30-PN-NNN-NNN H1-НАСОСЫ ВД H1-147PV/165PV
11007568 PUMP-VAR-DISPL CCW H1PV147 H1-P-147-LCA2-C2-ND6-GG3-H3- L-42-L-42-AL-24-PN-NNN-NNN H1-НАСОСЫ ВД H1-147PV/165PV
11007657 PUMP-VAR-DISPL CCW H1PV165 H1-P-165-LCA5-C2-ND8-GG3-H6- L-35-L-35-AP-24-PN-NNN-NNN H1-HP PUMPS H1-147PV/165PV11008314 PUMP-VAR-DISPL CW H1PV078 H{{ 30}}P-078-RAA8-C2-CD8-HG9-H2-K-45-K{{42} }NE-28-P1-NNN-NNN H1-НАСОСЫ ВД H1-069PV/078PV
11009112 PUMP-VAR-DISPL CW H1PV147 H1-P-147-RCA5-C2-ND7-GG2-H4- L-42-L-42-AP-24-PN-NNN-NNN H1-НАСОСЫ ВД H1-147PV/165PV
11009115 PUMP-VAR-DISPL CW H1PV165 H1-P-165-RCA2-C2-ND8-GG2-H2- L-35-L-35-LP-24-PN-NNN-NNN H1-НАСОСЫ ВД H1-147PV/165PV
11009620 PUMP-VAR-DISPL CW H1PV078 H1-P-078-RAA3-C2-NF6-HG9-H6- L-42-L-42-CL-24-PN-NNN-NNN H1-НАСОСЫ ВД H1-069PV/078PV
11009635 PUMP-VAR-DISPL CW H1PV078 H1-P-078-RAA8-C2-CD8-HG9-H3- K-48-K-48-CP-28-P1-NNN-NNN H1-HP НАСОСЫ H1-069PV/078PV
11009785 PUMP-VAR-DISPL CW H1PV165 H1-P-165-RCA4-C3-NE8-GG2-H3- L-42-L-42-LL-30-PN-NNN-G25 H1-НАСОСЫ ВД H1-147PV/165PV
11009797 PUMP-VAR-DISPL CW H1PV147 H1-P-147-RCA2-C2-ND3-GG3-H6- L-42-L-42-LM-24-PN-NNN-NNN H1-НАСОСЫ ВД H1-147PV/165PV
11009798 PUMP-VAR-DISPL CW H1PV078 H1-P-078-RAA8-C2-CD3-HG9-H3- L-42-L-42-CM-24-P1-NNN-NNN H1-НАСОСЫ HP H1-069PV/078PV
11010006 МОТОР-VAR-DISPL H1B080 H1-B-080-AM1-CA-NB-RB-CS-AS-SA-10-NN-000-N{{ 18}}NNN H1-HP MOTORS H1-080MB1
11010281 МОТОР-ФИКСИРОВАННЫЙ-ДИСПЛ 90MF130 90-M-130-NC-0-N-8-N-0-F1-W{ {10}}ЕЭЗ-00-00-G0 СЕРИЯ 90 S90-130MF
11010347 PUMP-VAR-DISPL CW H1PV147 H1-P-147-RCA4-C2-ND5-GG3-H4- L-40-L-40-AM-24-PN-NNN-NNN H1-НАСОСЫ ВД H1-147PV/165PV
11010724 PUMP-VAR-DISPL CW H1PV115 H1-P-115-RBB8-C2-CD3-GA9-H6- L-40-L-40-AM-30-P1-NNN-NNN H1-HP НАСОСЫ H1-115PV/130PV
11012378 КОНЦЕВАЯ КРЫШКА, H1B110 SP 6162-2 P25M 2POS H1-ЧАСТИ МОТОРОВ HP
11023567 МОТОР-ФИКСИРОВАННЫЙ-ДИСПЛ 90MF100 90-M-100-NC-0-N-8-N-0-S1-W{ {10}}NNN-00-00-H0 СЕРИЯ 90 S90-100MF
11024201 КОНЦЕВАЯ КРЫШКА, H1B080 AP 6162-2 P25M 2POS H1-ДЕТАЛИ МОТОРОВ HP - H1-MV
11024212 КОНЦЕВАЯ КРЫШКА, H1B080 SP 6162-2 P25M 2POS H1-ДЕТАЛИ МОТОРОВ HP - H1-MV
11025270 МОТОР-ФИКСИРОВАННЫЙ-ДИСПЛ 90MF130 90-M-130-NC-0-N-8-N-0-F1-W-00-NNN{ {11}}E4 СЕРИЯ 90 S90-130MF
11025494 PUMP-VAR-DISPL SPV15 LIGHT DUTY S10-015PV
11025841 МОТОР-VAR-DISPL H1B110 H1-B-110-AM1-CA-NA-RB-CS-JS-SA-15-NN-000-N{{ 18}}NNN H1-HP MOTORS H1-110MB1
11025865 МОТОР-ВАР-ДИСПЛ H1B110 H1-B-110-AK2-K2-NA-RA-VN-DN-NN-NN-NN-022-N -18-NNN H1-HP MOTORS H1-110MB1
11027905 ДВИГАТЕЛЬ С ФИКСИРОВАННЫМ ДИСПЛЕЕМ 20MF227 SMF2/227-B6Z-MR42422-A1 СЕРИЯ 20 S20-227MF
11027907 ДВИГАТЕЛЬ С ФИКСИРОВАННЫМ ДИСПЛЕЕМ 20MF166 SMF2/166-B6Z-MR42422-A1 СЕРИЯ 20 S20-166MF
11030634 МОТОР-ФИКСИРОВАННЫЙ-ДИСПЛ 90MF100 90-M-100-NC-0-N-8-N-0-C7-W-00-EFA{ {11}}E6 СЕРИЯ 90 S90-100MF
11032931 НАСОС VAR CCW LIGHT DUTY S10-015PV
11035928 PUMP-VAR-DISPL CW 90PV130 90R130-NA-Z-NV-8KV-3-C4-F-04-GB{{ 13}}L003 СЕРИЯ 90 S90-130PV
11039118 МОТОР-ВАР-ДИСПЛ H1B110# H1-B-110-AP1-D1-NC-TA-DN-KN-NA-15-NN{{17 }}Z-24-N06 H1-HP MOTORS H1-110MB1
11039184 ПЕРЕХОДНИК SAE-C 90PV130 2-БОЛТ СЕРИИ 90 ДЕТАЛЕЙ - S90
11039872 МОТОР-ФИКСИРОВАННЫЙ-ДИСПЛ TMM089 TMM089B-6C42-NNN-D-A3M-BDN TMM / TMP TMM089
11039873 МОТОР-ФИКСИРОВАННЫЙ-ДИСПЛ TMM070 TMM070B-6C42-NNN-D-A3M-BDN TMM / TMP TMM070
11039877 МОТОР-ФИКСИРОВАННЫЙ-ДИСПЛ TMM089 TMM089B-6MNN-NNN-D-D2M-BDN TMM / TMP TMM089
11039879 МОТОР-ФИКСИРОВАННЫЙ-ДИСПЛ TMM070 TMM070B-6MNN-NNN-D-D2M-BDN TMM / TMP TMM070
11040311 МОТОР-ВАР-ДИСПЛ H1B110 H1-B-110-AL1-BA-NN-PA-VS-DS-SA-15-NN-000-N{{ 18}}NNN H1-HP MOTORS H1-110MB1
11040312 МОТОР-ВАР-ДИСПЛ H1B080 H1-B-080-AL1-BA-NN-PB-VS-AS-SA-10-NN-000-N{{ 18}}NNN H1-HP MOTORS H1-080MB1
11040384 МОТОР-ФИКСИРОВАННЫЙ-ДИСПЛ 90MF100 90-M-100-NC-0-NXN-0-C7-W-00-CBF-00-00-B3 SERIES 90 С90-100МФ
11041110 PUMP-VAR-DISPL SPV15 LIGHT DUTY S10-015PV
11041474 МОТОР-VAR-DISPL H1B080 H1-B-080-AM1-CA-NA-RB-CS-HS-SA-10-NN-000-N{{ 18}}NNN H1-HP MOTORS H1-080MB1
11041573 МОТОР-ВАР-ДИСПЛ H1B110# H1-B-110-AP1-D1-NA-TA-DN-JN-NA-15-NN{{17 }}Z-24-N11 H1-HP MOTORS H1-110MB1
11042843 МОТОР-ВАР-ДИСПЛ H1B110 H1-B-110-AK1-K1-NC-RA-DS-KS-SA-15-NN{{17} }N-24-NNN H1-HP MOTORS H1-110MB1
11043125 СЕГМЕНТ КЛАПАНА 2POS H1B060 В СБОРЕ H1-ДЕТАЛИ МОТОРОВ HP - H1-MV
11043127 КОМПЛЕКТ БЛОК ЦИЛИНДРОВ H1B060 В СБОРЕ H1-ДЕТАЛИ МОТОРОВ HP - H1-MV
11043187 ВАЛ-SP H1B060 14T DIN5480 В СБОРЕ (GS) H1-ДЕТАЛИ МОТОРОВ HP - H1-MV
11044425 PUMP-VAR-DISPL CW H1PV089 H1-P-089-RAA2-C2-ND8-HG9-H2- L-45-L-45-MP-24-PN-NNN-NNN H1-НАСОСЫ ВД H1-089PV/100PV
11044427 PUMP-VAR-DISPL CW H1PV100 H1-P-100-RAA2-C2-ND8-HG9-H2- L-45-L-45-MP-24-PN-NNN-NNN H1-НАСОСЫ ВД H1-089PV/100PV
11046243 МОТОР-ФИКСИРОВАННЫЙ-ДИСПЛ 90MF100 90-M-100-NC-0-N-8-N-0-C7-W-00-NNN{ {11}}G3 СЕРИЯ 90 S90-100MF
11046631 ПОРШЕНЬ-СЕРВОПОРШЕНЬ 90PV130 В СБОРЕ NFPE СЕРИЯ 90 ДЕТАЛЕЙ - S90
11047944 МОТОР-ФИКСИРОВАННЫЙ-ДИСПЛ 90MF100 90-M-100-NC-0-N-7-N-0-K3-N-00-NNN{ {11}} СЕРИЯ 90 S90-100MF
11050997 МОТОР-ФИКСИРОВАННЫЙ-ДИСПЛ 90MF100 90-M-100-NC-0-N-8-N-0-K3-W-00-EAA{ {11}}F3 СЕРИЯ 90 S90-100MF
11051756 ТРАНСМИССИЯ LDU 20 U-STYLE CW LDU-20DRALS-JJ-JAN-07-N-28N-28N-NNN-NNN DDC20/LDU20 OSK-020 У – НЕ ИСПОЛЬЗОВАТЬ
11052595 МОТОР-ФИКСИРОВАННЫЙ-ДИСПЛ 90MF100 90-M-100-NC-0-N-8-N-0-C7-W{ {10}}EGL-00-00-H0 СЕРИЯ 90 S90-100MF
горячая этикетка : Аксиально-поршневые одинарные насосы Sauer Dandoss h1p045 h1p053















