Аксиально-поршневой регулируемый насос REXROTH A2VK A2VK12 A2VK28 A2VK55 A2VK107 A2VK28MAOR1G0PE1-SO2
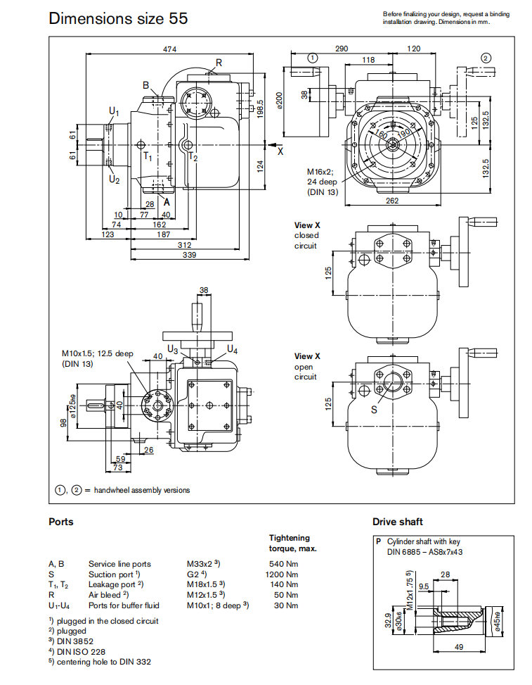
Размер A2VK12 A2VK28 A2VK55 A2VK107Серии 1 и 4. Номинальное давление 250 бар. Максимальное давление 315 бар. Особенности – Регулируемый аксиально-поршневой насос для перекачивания и дозирования компонентов полиуретана. – Высокая точность дозирования и воспроизводимость переменных перекачиваемых объемов. – Надежная ручная регулировка с помощью маховика со встроенной прецизионной измерительной шкалой. – Эксплуатация. давление до 250 бар – Низкая пульсация перекачиваемой среды – Компоненты насоса совместимы с перекачиваемой средой (полиол, изоцианат) благодаря специальному сочетанию материалов и уплотнительных элементов – Низкий уровень шума – Отличная объемная эффективность для высокой точности дозирования – Двойной вал уплотнения с отверстиями для буферной жидкости для обеспечения безопасной эксплуатации (и защиты окружающей среды) – С защитой от коррозии. Версия для перекачивания пластиковых компонентов.

| Аксиально-поршневой регулируемый насос REXROTH A2VK A2VK12 A2VK28 A2VK55 A2VK107 A2VK28MAOR1G0PE1-SO2 |















горячая этикетка : Аксиально-поршневой регулируемый насос Rexroth a2vk a2vk12 a2vk28 a2vk55 a2vk107 a2vk28maor1g0pe1-so2





